Ingénierie photovoltaïque avec stockage

L'ingénierie photovoltaïque off-grid : des compétences & un savoir faire acquis depuis 2018 :

Si ‘ingénierie photovoltaïque traditionnelle est désormais largement maitrîsée,  celui des systèmes solaires autonomes l’est nettement moins. En effet de part sa complexité intrinsèque lié à l’intégration de batteries solaires et d’onduleurs hybrides, l’ingénierie photovoltaÏque dite « off-grid » prend tout son sens. Depuis 2018, notre coeur de métier continu d’être l’intégration de solutions solaires autonomes de toutes tailles, répondant ainsi à toute typologie de projets.

 

L’autonomie solaire, grâce à l’intégration des batteries, est en passe de devenir le pilier de l’énergie renouvelable. Que vous envisagiez un système off-grid ou un modèle hybride, notre expertise couvre une large gamme de puissances, de 1 à 1000KVA. Notre savoir-faire s’étend aux marques historiques, telles que SMA, Victron, Studer Innotec, mais aussi des marques plus innovantes et récentes telles que SIGENERGY, XESS, & DEYE.

 

 

Chaque projet photovoltaïque avec batterie est unique. La topographie, l’ensoleillement, les besoins énergétiques et la configuration du site sont autant de variables qui requièrent une étude approfondie. Nos ingénieurs, passionnés par la technologie solaire, combinent expertise théorique et expérience pratique pour concevoir des solutions optimales.

Ingénierie photovoltaïque sur-mesure pour des projets solaires avec batteries :

L’intégration de batteries dans les systèmes solaires est un domaine complexe, avec une multitude d’offres. Nous vous offrons une autonomie solaire adaptée à vos besoins, couvrant une large gamme de puissances, de 1 à 500KVA. Que vous ayez besoin d’une solution pour une petite habitation, une usine, ou un bâtiment tertiaire, nous avons la réponse.

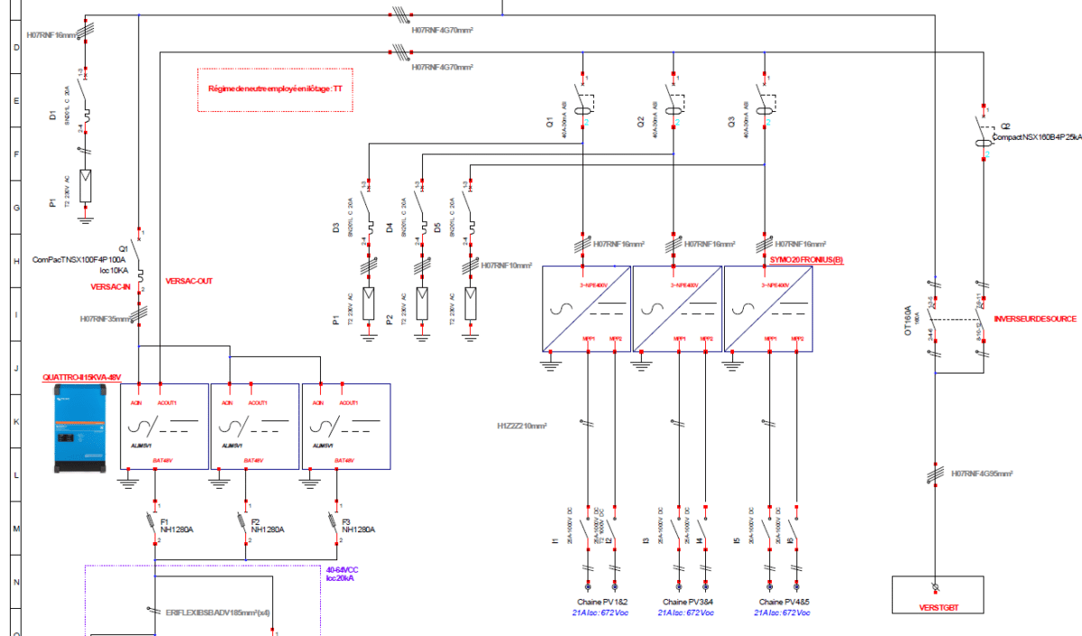
ingénierie photovoltaique

Notre offre de services d'ingénierie photovoltaïque avec batterie

Nos services d’ingénierie photovoltaïques s’articulent autour de plusieurs axes :

 1. Conception : 

  • dimensionnement & calcul du productible solaire via Archelios Pro / PVGIS / PVSOL.
  • dimensionnement des batteries et des onduleurs photovoltaïques 
  •  calcul de taux d’autonomie – variables technico-économiques (ROI, taux d’auto-consommation)  modélisation des ombrages, notes de calcul DC/AC 
  • créations des schémas électriques unifilaires 
  • intégration de systèmes de stockage et projections du SOH, calculs des DoD optimaux 
  • choix des technologies de stockage appropriée en fonction des contraintes environmentales du sites (températures, tropicalisation nécessaires, etc …).
  • prise en compte des normes spécifiques (régimes de neutres, etc …) et respects du cadre normatif applicable (UTE XP-712-3 & C-15-712-2.
 2. Exécution : 

  • AMO et gestion des équipes de poses et d’installateurs sur site.
  • Formation et aide à la prise en main de la centrale solaire autonome.
  • Application des bonnes règles en matière de gestion des risques spécifiques liés aux batteries (sécurité des biens et des personnes).
  • Prise en compte des normes spécifiques (régimes de neutres, etc …) et respects du cadre normatif applicable (UTE XP-712-3 & C-15-712-2.
 3. Réception et mise en conformité :

  • Formulaires Consuel (SC-144) et production des schémas unifilaires
  • Vérification des installations solaires par un bureau de contrôle, production des DRE.
  • FAT et tests de la centrale solaire autonome sous différentes conditions (ilôtage, connecté réseau, groupe électrogène, etc…).

 

Conception

Exécution

Réception